(Sorry 工事中)

バラストコンデンサの弊害

液晶モニタ用インバータのバラストコンについて


図1 従来の1トランス2灯方式

図2 直結方式
液晶モニタ用のインバータではトランス一個で二本の冷陰極管を点灯することが一般的になっています。(図1)
この方式では各冷陰極管の管電流を安定化するため、それぞれの管に一つづつのバラストコンデンサを必要としています。
一見ローコストな方式に見えますので、現在の液晶モニタ用のインバータはほとんどこの方式を採用しているようですが、このバラストコンデンサはノイズを発生させたり、トランスの発熱やショート、焦げの原因になったりなど、その他にもいろいろな問題を発生させることになります。

ここでは、このバラストコンデンサによって生じる様々な問題と、バラストコンデンサを排除することによって生じる優位性について検討してみることにしましょう。

バラストコンデンサを排除する場合、冷陰極管の管電流の安定化のために、漏洩磁束性のトランスをそれぞれの蛍光管に一つづつ使い、トランスと冷陰極管を直結します。(図2)
一見コストがかかるように見えますが、以下に示す優位性とのトレードオフを計算すると、あながちコスト高とは言えないことがわかります。

なぜバラストコンデンサが省略できるのか

仮に、昇圧トランスに閉磁路型の漏洩磁束性が全くないトランスを用いる場合、トランスと冷陰極管とを直接接続することはできませんが、漏洩磁束型トランスを用いれば漏洩磁束型トランスの持つ漏れインダクタンスを利用してトランスと冷陰極管とを直接接続することができます。
これは、漏洩磁束型トランスの漏れインダクタンスをバラストとして利用するからです。
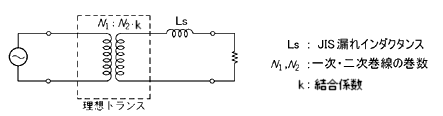
トランスの漏れインダクタンスを精密に表すと図3のような三端子等価回路になります。

図3 漏れ磁束型トランスの等価回路
これを、トランス二次側から見た場合、漏れインダクタンスはLe1,Le2,Mが合成されて図4のようになります。

図4 ちょっと不正確だけど一応使える等価回路

このLsのことをJIS漏れインダクタンスといいます。
大きな漏れインダクタンスLsの値を持つトランスのことを漏洩磁束型トランスいいます。
このLsのリアクタンスがインバータの動作周波数において冷陰極管のインピーダンスと同じかそれ以上になれば冷陰極管の管電流は安定します。
例えば、冷陰極管のインピーダンスはノートブック用の14インチの場合で約100KΩ(5mAの場合)です。
一方漏れインダクタンスLsは、冷陰極管用インバータを60kHzで駆動するとした場合そのときのリアクタンスが60kHzにおいての値約100KΩよりも十分大きい値になるようにする必要があります。
具体的にはこの場合、JIS漏れインダクタンスの値Lsは280mH以上が必要となります。
よって、従来型の漏洩磁束型トランスで管電流を安定化させるには、

JIS漏れインダクタンスのリアクタンス値>> 冷陰極管インピーダンス

という関係になるようにトランスの漏れインダクタンスのLs値を調整します。

バラストコンデンサレス(直結)方式の優位性


1. バラストコンデンサと高調波ノイズ
実際に、従来型のバラストコンデンサ方式インバータと直結方式インバータのノイズ特性を比較してみましたが、以下のように大きな違いがあることがわかります。
バラストコンデンサは管電流の急峻な変化を発生させます。
そのため、バラストコンデンサを使った従来の回路では高調波が多く発生し、これがラジオ周波数(RF帯)の妨害雑音となります。
この様子を示したのが図5です。

図5 インバータのノイズ特性の比較
従来方式ではRF帯の強いノイズが観測されています。
このノイズによってラジオの放送波が妨害されている様子がわかるでしょうか。(左)
これに比べ、バラストコンデンサのない直結方式のインバータではRF帯の輻射ノイズが大幅に軽減されています。(右)
右の図を見るとラジオ放送波がはっきりと観測され、インバータが発生する高調波と比較しても、ノイズの方が遥かに低く、ラジオ波は妨害を受けていません。
従来型のバラストコンデンサ付インバータでは周波数対ノイズの低減特性が-20dB/decですが、直結方式では-40dB/decとなります。
バラストコンデンサというのはRF帯の輻射ノイズにかなりの悪影響を与えるものであることは間違いないでしょう。

2.レイヤショートの低減

図6
従来の回路方式では、バラストコンデンサは電流制限素子として重要な働きをしています。
従来方式ではトランスの二次側で高圧を発生させ、これをバラストコンデンサのリアクタンスによって電圧を降下させて冷陰極管に供給しています。
この方式では、定常放電状態においても常にトランスの二次巻線に高圧がかかり続けることになります。
その結果、トランスの二次巻線には常に高圧によるストレスが生じ、レイヤショートの発生する原因ともなっています。
冷陰極管用インバータに使われるトランスは高圧な上にかなりの電力を扱う部品ですからレイヤショートの発生には注意しなければなりません。
直結方式では二次巻線にかかる電圧は冷陰極管の定常放電電圧(700V程度)だけですので、トランスの安全性が大きく向上します。

実際に故障発生率を比較したところ以下のような驚異的な結果が得られました。

出荷後のインバータにおける故障発生率
バラストコンデンサを使った従来タイプ バラストコンデンサレス
300〜500ppm 10ppm

台湾−中国製のトランス(従来型)と日本製のトランス(弊社製)との比較ですから単純な比較はできませんが、それにしても故障率が1/30〜1/50という数字は、品質の違いを差し引いても直結方式に圧倒的な優位さがあるということになるでしょう。

3. 高効率、低発熱(二次側共振の利用)


図7 トランス一次側から見た特性
液晶バックライトには必ず寄生容量が存在しますが、この寄生容量とトランス二次巻線とを共振させると、「銅損最小点」が生じます。
この性質を利用することで、インバータの効率が飛躍的に向上し、発熱が減ります。
直結方式ではこの銅損最小点を利用することが容易ですが、従来の1トランス2灯方式ではそれはほとんど不可能です。
二次側共振を利用することによってインバータトランスの圧倒的な小型化も同時に実現できます。
今まではインバータの厚みや発熱がモニタのデザインに大きく影響していました。
直結方式でさらに共振方式を採用することによって、高品質で薄型・小型のモニタが実現できるようになります。
共振方式は弊社の特許です(特許解説→)。同じバラストコンレス方式でも二次側共振を用いた場合と用いない場合では効率などにいろいろな違いが出てきます。詳しくは技術資料をご覧下さい。

共振方式の場合、それほど大きなLsは必要ありません。

図8 共振型の回路構成

Lsの値はインバータの動作周波数におけるリアクタンスの値が冷陰極管のインピーダンスの値とほぼ等しいか少し小さい値であれば管電流は十分に安定します。
さらに共振方式では、冷陰極管に発生する寄生容量Cs(約8〜15pF)と並列に接続された補助容量Ca(約10pF〜27pF)、及びトランス二次巻線分容量Cw(約2〜3pF)との合計容量のリアクタンスがインバータの動作周波数において、ほぼJIS漏れインダクタンスのリアクタンスと等しくなるように補助容量Caの値を設定します。つまり、
となるように補助容量と漏れインダクタンスの値を調整することによって高効率のインバータが構成できるわけです。

ただし、従来のコレクタ共振型変形Royer回路では発振の安定動作のために、
という関係にしなければならず、共振を生かしてインバータを高効率化するには限界があります。
なぜならば、一次側回路のコレクタ共振の共振電流を得るには十分な誘導性が必要だからですが、これが原因となって理想的に高効率なインバータが作りにくい原因となっています。
早い話、伝統的なコレクタ共振回路はごみ箱にポイしてほしいのです。

結局、高効率なインバータを設計するには、
という関係にする必要がありますが、このような状態で安定な動作をさせるためには他励型という回路方式が必須となります。

4.他励共振型回路は高効率


図9 他励共振型回路
正確に言うと、他励型が高効率なのではありません。
他励型で駆動されるトランスの二次側回路の共振を利用することが高効率なのです。
この辺は業界の中で誤解が広がっているようですが、他励型と弊社二次側共振技術とは非常に相性が良いわけです。
したがって、正確には他励型というよりも他励共振型というべきでしょう。
詳しくは月刊ディスプレイの記事をご覧下さい。

5.大型液晶テレビジョン用バックライトと他励型


図10 他励共振型の多灯点灯回路
大型液晶テレビ用バックライトにはたくさんの冷陰極管が使われています。
それらを他励共振型回路で駆動すると、たいへんな回路規模になってしまいます。

弊社が他励共振型というものを開発して以来、10年間も目立った進化はなく、ただそれを漫然と並べているだけ。
エレガントと言うよりもエレファントというか・・・・

これではしょうがないので業界の要望もあって大改革に乗り出しました。
それがZAULaSです。

ZAULaS?!

そんな便利な方式、なんで提案しなかったって?
それはですね、大手メーカーの皆さんがブランド名ばかりを気にして弊社よりも弊社特許侵害メーカーの言い分を信用したからです。
そんでもって彼らのいいなりになって、弊社技術のパクリの延長線上に走ったからこんな大規模な回路になっちゃったんですね。
みんながみんな揃いも揃って、同じ落とし穴にハマる。
ちょっと視点を変えるってことができないんですかね。まったく・・・・

続く・・・



←HOME,←技術資料