|
【発明の名称】面光源用放電管並列点灯システム
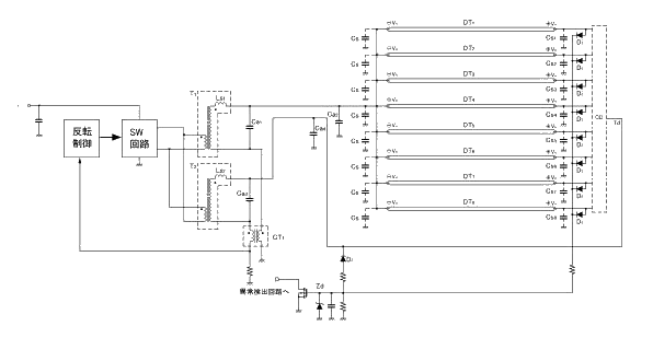
【図1】
 本発明の一実施例を示す両側高電圧駆動の回路構成図である。
【図2】
 本発明の一実施例に更に冷陰極管一本おきに交互に逆位相に駆動する接続法を示す他の実施例を示す回路構成図である。
【図3】
 本発明の更に他の実施例を示す回路構成図である。
【図4】
 本発明の更に他の実施例を示す回路構成図である。
【図5】
 本発明の更に他の実施例を示す回路構成図である。
【図6】
 本発明の更に他の実施例を示す回路構成図である。
【図7】
 本発明の更に他の実施例を示す回路構成図である。
【図8】
 本発明に係る3分流トランスの一例を示す説明図である。
【図9】
 本発明に係る3分流トランスを用いた本発明の更に他の実施例を示す回路構成図である。
【図10】
 隣り合う冷陰極管が同位相駆動の場合の静電ノイズの測定結果を示す実測図である。
【図11】
 隣り合う冷陰極管が逆位相駆動の場合の静電ノイズの測定結果を示す実測図である。
【図12】
 従来の大型面光源の輝度均一化のための一例を示す回路構成図である。
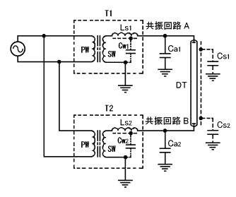
【図13】

従来の冷陰極管の両端を逆位相の高電圧で駆動する方式において、二つの共振回路の働きを示す模式図である。
【図14】

図12に示す回路構成において、共振周波数の不一致によって周波数により出力の昇圧比が異なる状態を説明する駆動周波数−昇圧比の関係グラフ図である。
【図15】
 従来の片側高圧駆動方式において、冷陰極管から輻射される静電ノイズを相殺する一例を示す回路構成図である。
【図16】
 従来の両端高圧駆動方式において、冷陰極管から輻射される静電ノイズを相殺する他の例を示す回路構成図である。
【図17】
 従来の両端高圧駆動方式において、冷陰極管から輻射される静電ノイズを相殺する更に他の例を示す回路構成図である。
【図18】
 従来の大型面光源システムにおいて、面光源装置に用いられる多数の冷陰極管を並列に駆動して各放電管の管電流を均一にする手段を施した一例を示す回路構成図である。
|